当前位置:首 页 > 服务范围 > G部--物理

一种锂离子软包电池内短路模拟装置及模拟方法
添加时间:2024-07-30 浏览次数: 218

专利号:2022103793531

专利权人: 湘潭大学

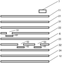
摘要: 本发明提供了一种锂离子软包电池内短路模拟装置,包括软包电池及其内部的若干隔离片,电池内隔膜的若干位置上设有开孔且每处的开孔均被隔离片完全覆盖,隔离片由铷磁铁片及完全包裹铷磁铁片的高分子绝缘膜构成,模拟装置还包括位于电池外部的铷磁铁块;本发明还提供了一种锂离子软包电池内短路模拟方法,通过移动铷磁铁块,使与铷磁铁块相互吸引的隔离片也跟随移动并离开其初始位置,导致该隔离片不能覆盖其初始位置的隔膜开孔,并对软包电池施加内压力,从而导致隔膜开孔位置的正负极活性物质互相接触造成短路。本发明公开的内短路模拟装置结构简单、制备方便、成本低廉,对电池自身结构和性能影响小,对应的模拟方法简便易行,操作可控。


友情链接
FRIENDSHIP LINK
惠企知识产权研究院    
联系电话:0631-5166712 联系地址:山东省威海市火炬高技术产业开发区火炬路169-1号202室内 联系邮箱:weihaihuicheng@163.com
版权所有:山东惠诚睿智知识产权有限公司 鲁ICP备2023018370号-1